ESCON歩道床版 中路式の立体横断歩道橋として初めての実績
ESCON歩道床版は、高強度繊維補強セメント系複合材料(VFC)の一種である『ESCON』を用いたプレキャストRC床版である。ESCONは圧縮強度100N/mm2以上の超高強度材料であることから部材の薄型化が可能であり、それに伴って既設床版と同等以下の重量にできるため、桁や下部工への負担を増やすことなく床版更新が可能な工法である。さらにコンクリートは緻密な組織を構成するため、水や塩化物イオンといった有害因子の侵入がほとんどなく、海岸地域や融雪剤散布地域などの高腐食環境下においても優れた耐久性を発揮し、維持管理コストの低減が可能となる工法である。
さらに近年は、従来工法であるデッキプレート床版(波型の鋼板にコンクリートを流し込んで構成されている)の腐食劣化が問題となっている。鋼板部の腐食が進行すると、歩行安全性に問題が生じることや、腐食片落下による第三者被害も懸念されるため、耐久性に優れる新しい床版技術を国交省が募集するなど、対策が求められていた。(井手迫瑞樹)
50年間のLCCを比較検討した結果、コストが逆転
福川駅前歩道橋の42.23mで採用
50年間のLCCを比較検討した結果、コストが逆転
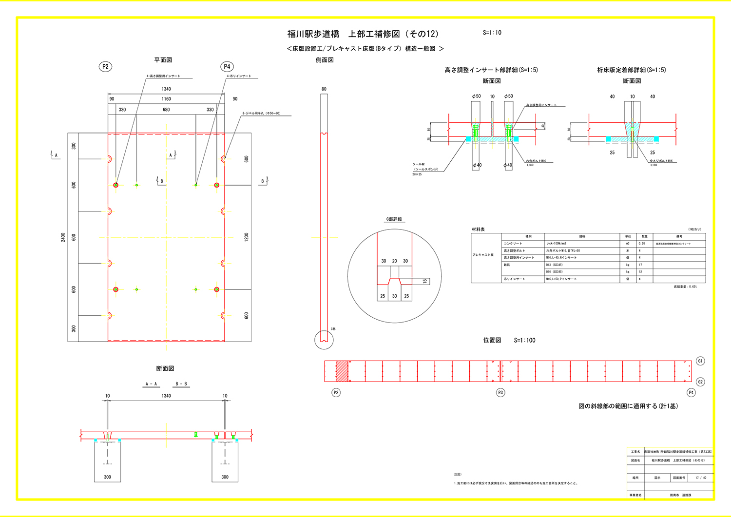
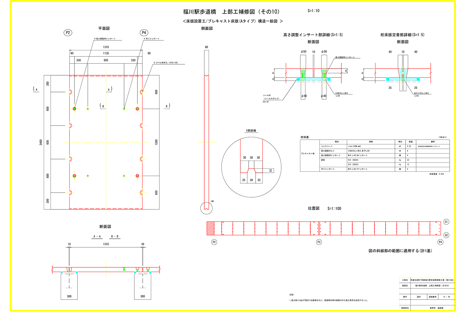
ESCON歩道床版は、橋側歩道橋などではすでに多くの実績を得ていたが、中路式の立体横断歩道橋としては初めての実績となった。採用現場は、山口県周南市の福川駅付近にある山陽本線と山口県道172号を跨ぐ位置で架かっている福川駅前歩道橋である。同橋の橋長は72.8mでその内42.23mに使われた。
山陽本線と山口県道172号を跨ぐ位置で架かっている
本橋は、I形鋼からなる左右の主桁ウエブ部に横桁が配置されており、その横桁の上にデッキプレート床版を載せた構造となっており、立体横断歩道橋では一般的な構造である。デッキプレートの鋼板部に腐食損傷が生じており、このままでは歩行者の安全性への悪影響や第三者に対する被害が懸念されていた。そこで、既存のデッキプレートを外し、新たな床版に取替える工事や、塗替えが行われている。
ESCON歩道床版が採用されたのは、耐久性が高くなること、死荷重増が無いことから桁や下部工の補強が不要であるため、ICは上昇するものの、50年間のLCCを比較検討した結果、コストが逆転することが評価された。

ESCON歩道橋床版の特徴と標準寸法
施工は、従来のように場所打ちが不要であるため、現場での工程を大きく短縮できる。また、軽いため、重機サイズも小型で施工可能で、施工者の負担が軽減できる。
一部の床版はローラーとチェーンブロックを用いて人力により移動・架設
軽量であるメリットを生かす
施工は、まず、既設床版を撤去した後、横桁フランジの拡幅を行った。これは、中路式の歩道橋では、横桁にプレキャスト床版を支持させる必要があるが、横桁のフランジ幅が狭く、そのままでは床版が設置できないための処置である。床版の割付は、横桁のピッチに合わせて行い、約1.3~2mにて割り付けた。

床版設置概要図(抜粋)

横桁フランジの拡幅施工後、1列4本のスタッドジベルを溶植
横桁の上フランジに平鋼をボルトにて固定して拡幅したのち、横桁1本に付き、1列4本のスタッドジベルを溶植した。その後、横桁の拡幅部外周に合わせてシールスポンジを設置、ESCON床版をクレーンで架設する。なお、本現場では橋上の一部を架線が横切っていたため、クレーンで直接床版を架設できない箇所があった。そこで一部の床版は、クレーンにて設置済みの床版上に仮置きし、ローラーとチェーンブロックを用いて人力により移動・架設を行った。軽量であるメリットがここでも活かされた。

型枠設置状況





床版の据付け状況

スタッドジベルとの接続部が半円状になっており、隣接する床版が合わさって円状になる

床版据付け完了状況
同床版は、スタッドジベルとの接続部が半円状になっており、隣接する床版が合わさって円状になることによって、スタッドジベルを躱す形で架設、その形成された孔から無収縮モルタルを打設することにより、横桁と床版の一体化をはかっている。
施工に架かる日数は、3日。
今後は、エスイーは現在実績の多い橋側歩道橋の床版更新だけではなく、車道や鉄道を跨ぐ立体横断歩道橋にも今回の初実績を梃子にして、提案を増やしていく方針だ。
