NEWSNEWS List
2025.11.04
IISとオフィスケイワン 仮設CIMシステム「CIM-FLOOR」を共同開発
橋梁上部工向けのパネル式吊り足場と昇降足場の3次元設計を支援
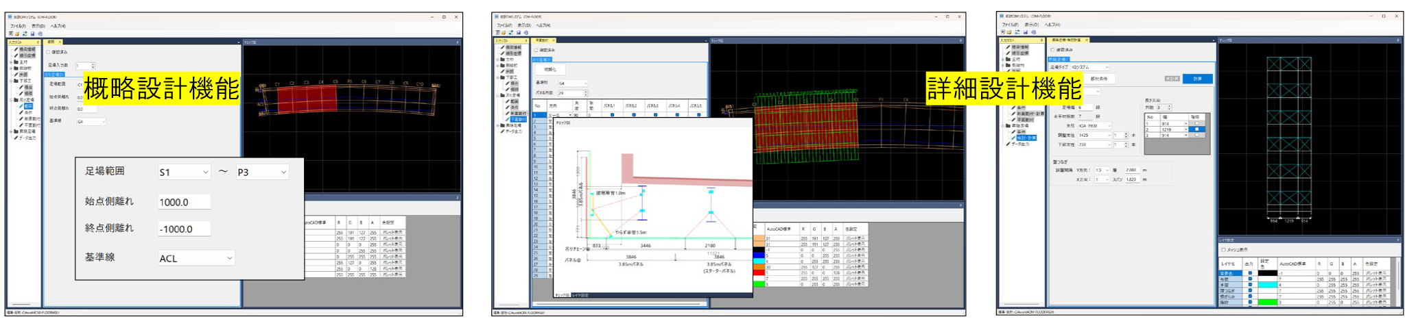
 IHIインフラシステム(IIS)とオフィスケイワンは、橋梁上部工向けのパネル式吊り足場と昇降足場の3次元設計を支援する仮設CIMシステム「CIM-FLOOR」(シム・フロア)を共同開発した。これまで属人的で膨大な工数を要していた仮設足場の設計業務を効率化・標準化することで吊り足場の設計工数を最大で約50%縮減することができる。今後増加が見込まれる橋梁補修や大規模更新工事における足場設計・施工の生産性向上と建設DXの実現に寄与させていく。
5つの特徴
大きな特徴は5点ある。
1点目は、主に積算のための吊り足場と昇降足場の数量算出が可能な設計者向け機能と、パネル足場の割付けや設計照査が可能な施工者向け機能を備えていることである。建設コンサルタントが積算用の概略計画を行い、工事発注後に施工者がデータを引き継いで詳細度を上げる「プロセス横断」のデータ活用が可能であり、仮設設計における i-Construction2.0 の「データ連携のオートメーション化」を実現できる。
2点目は、同システムはタカミヤの知見を活用してシステムを組んでいるが、同メーカーだけでなく、複数メーカーのパネル式足場に対応できるという点である。施工者が採用する足場製品を選択して割付け、設計照査、2D図面・3D モデル出力が可能だ。
3点目は、線形座標に基づき、パネル割付けと荷重計算を自動化できる点である。橋梁上部工の線形座標に基づいて、パネル式足場の断面および平面割付けを自動で行えるもの。断面配置後に、設計基準をもとに荷重計算を実施する。曲線橋の平面割付けも自動処理が可能だ。
4点目は積算数量用の足場の 2D 図面、詳細なパネル割付け後の 3D モデル出力、設計計算書の出力機能を実装しており、パネル式吊り足場計画時の設計業務の生産性向上を実現した。
5点目は、鋼橋 CIM システム「CIM-GIRDER」の入力データを読み込むデータ連携機能を用いることで、前工程の重複作業をなくし、足場計画に注力できる。
将来はサブスクリプション方式での外販も予定
橋梁上部工の新設・リニューアルのほとんどの現場で、パネル式吊り足場の採用が進んでいるが、その反面、仮設設計の属人化や現場作業の非効率が課題となっており、特に熟練技術者に依存した設計作業は、再現性や標準化が難しく、計画ミスや現場不一致による手戻りのリスクという懸念を有していた。両社はその懸念を払拭すべく、システムを開発。さらにシステムの汎用性、冗長性を確保することで、システム開発に利用したタカミヤ製品(スパイダーパネル)だけでなく、他社の製品も活用可能にしている。これにより現場条件に適した足場選び、設計を可能にし、足場構築・撤去作業の効率化、コスト縮減につなげていく。
将来はサブスクリプション方式での外販も予定しているということだ。

仕様イメージ
5つの特徴
大きな特徴は5点ある。
1点目は、主に積算のための吊り足場と昇降足場の数量算出が可能な設計者向け機能と、パネル足場の割付けや設計照査が可能な施工者向け機能を備えていることである。建設コンサルタントが積算用の概略計画を行い、工事発注後に施工者がデータを引き継いで詳細度を上げる「プロセス横断」のデータ活用が可能であり、仮設設計における i-Construction2.0 の「データ連携のオートメーション化」を実現できる。

「プロセス横断」のデータ活用が可能
2点目は、同システムはタカミヤの知見を活用してシステムを組んでいるが、同メーカーだけでなく、複数メーカーのパネル式足場に対応できるという点である。施工者が採用する足場製品を選択して割付け、設計照査、2D図面・3D モデル出力が可能だ。

複数メーカーのパネル式足場に対応
3点目は、線形座標に基づき、パネル割付けと荷重計算を自動化できる点である。橋梁上部工の線形座標に基づいて、パネル式足場の断面および平面割付けを自動で行えるもの。断面配置後に、設計基準をもとに荷重計算を実施する。曲線橋の平面割付けも自動処理が可能だ。

線形座標に基づき、パネル割付けと荷重計算を自動化
4点目は積算数量用の足場の 2D 図面、詳細なパネル割付け後の 3D モデル出力、設計計算書の出力機能を実装しており、パネル式吊り足場計画時の設計業務の生産性向上を実現した。

積算数量用の足場の 2D 図面、詳細なパネル割付け後の 3D モデル出力、設計計算書の出力機能を実装
5点目は、鋼橋 CIM システム「CIM-GIRDER」の入力データを読み込むデータ連携機能を用いることで、前工程の重複作業をなくし、足場計画に注力できる。

鋼橋 CIM システム「CIM-GIRDER」の入力データを読み込むデータ連携機能
将来はサブスクリプション方式での外販も予定
橋梁上部工の新設・リニューアルのほとんどの現場で、パネル式吊り足場の採用が進んでいるが、その反面、仮設設計の属人化や現場作業の非効率が課題となっており、特に熟練技術者に依存した設計作業は、再現性や標準化が難しく、計画ミスや現場不一致による手戻りのリスクという懸念を有していた。両社はその懸念を払拭すべく、システムを開発。さらにシステムの汎用性、冗長性を確保することで、システム開発に利用したタカミヤ製品(スパイダーパネル)だけでなく、他社の製品も活用可能にしている。これにより現場条件に適した足場選び、設計を可能にし、足場構築・撤去作業の効率化、コスト縮減につなげていく。

現場条件に適した足場選び、設計を可能に
将来はサブスクリプション方式での外販も予定しているということだ。